产品展示

当前位置:首页 - 产品展示 - 精密量具

HSK刀柄锥度检测仪

发布时间:2020-6-15 14:54:53 浏览:283



HSK 刀柄具有极好的刚性和重复精度。检查HSK刀柄按DIN和ISO标准规定的极小公差,最好的检测装置是必需品而非奢侈品。
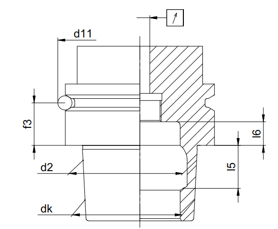
使用我们的HSK检具,4个最重要的尺寸可以在1个工步中检测完成。
1. d2锥度大端直径
2. dk锥度小端直径
3. l5 拉紧斜面位置
4. l6 顶出面深度
圆度:d2, dk在检具中旋转HSK锥柄可测
使用V型槽检测装置可测:
5. d11 V型槽外部直径
6. f3 V型槽到定位端面的距离
使用跳动检测支架可测刀柄前端的跳动
7. A 外径OD跳动
8. B 端面跳动
9. C 内径ID跳动